Jupiter Instruments
Unique instrumentation products
Model JI-4516
High-Voltage, High-current Digital I/O Module - Isolated
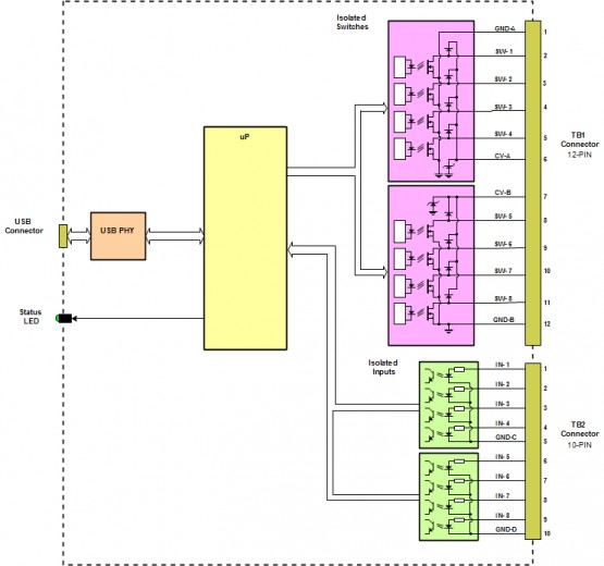
The JI-4516 module is a versatile, easy-to-use device for adding high-voltage,
high-current digital I/O capability to a computer system via a USB connection. The
module is comprised of 8, low-side power MOSFET switches, and 8 high-voltage inputs.
I/O ground isolation eliminates ground-loops and provides protection from noise and
switching transients during high-current load switching. The JI-4516 is available as either
a desktop unit or low-cost OEM board.
Features
8 Optically isolated input channels
8 Optically isolated high-voltage, high-current MOSFET switches -
  • 3A low-side sink capability
  • 30V (max) switching
  • Thermal and overload protection
Change-of-State (COS) Detection
Programmable Watchdog-Timer (WDT)
USB USB 2.0 compatible
Available as either a desktop unit or stackable, low-cost OEM board.
Pluggable screw terminal connectors – Input and Output
  • Inductive load Clamp Diode for each output
Photo coming
Soon!
ModelJI-4516-OEM
Applications
Ideal for switching resistive (lamp), capacitive, and inductive loads.   
Industrial automation
Production-line testing
Embedded OEM
Questions or comments?  Please email or call:
Jupiter Instruments                                                                                                                                                              www.jupiteri.com
Updated on 2/15/21
or  Ph: 949-716-0154
Date
Version
Documents
Documents and Downloads
1.3
1.1
3/28/13
3/25/13
Date
Version
Software
1/9/12
ModelJI-4516
1.1
4/18/13
1.3
5/15/13
I/O Connection Examples
Block Diagram
Photos
1.2
8/20/13
8/20/13
10/7/10
1.3
8/22/13
1.9
8/27/13
1.0
9/16/13
NI LabVIEW™     
Test Application
12/14/16