Model JI-820
Incremental Encoder Emulator
Features
Emulate/Simulate Rotary, Linear, and Quadrature Encoders
Adjustable Cycle Frequency: 0.1 Hz to 5.0 MHz (50 nS steps)
Variable A/B Phase: 10° to 170° in 1° steps  (90° nominal)
Index (Z) Signal: Selectable Polarity (+/- pulse) and Position (+/- 1 cycle)
Output Interface: RS-422, Open-Drain, Push-Pull, or Push-Pull Complementary
Signal Fault Injection
Questions or comments?  Please email or call:
or  Ph: 949-716-0154
Jupiter Instruments                                                                                                                                                           www.jupiteri.com
Updated on 2/19/21
The JI-820 is a flexible, easy-to-use, PC controlled instrument designed to precisely emulate the
function of a wide variety of incremental encoders. It provides the design, system, and test engineer
with a tool to accurately emulate encoder signals generated by motion control and industrial
monitoring systems. Variable encoder parameter available to the user include cycles per revolution,
cycle frequency, A/B signal phase, Z signal position and polarity, signal amplitude, and selectable
signal interface. An intuitive Windows application manages instrument setup and control.
Communications and unit power is all provided via a USB 2.0 connection.     
JI-820 Incremental Encoder Emulator
Jupiter Instruments
Unique instrumentation products
Variable Signal (A, B, Z) Amplitude: Internal - 5.0 to 18.0 Volts (100 mV steps)
Simulates the function of a wide variety of incremental encoders  
Model JI-820
Programmable Counts-Per-Rev:  4 to 4,000,000
                 External - 5.0 to 30.0 Volts
Date
Version
Documents
Documents and Downloads
Date
Version
Software
Ver 1.1
1/20/18
2/19/21
Ver 3.2
Application Screen Shots
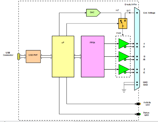
JI-820 Block Diagram
Ver 1.7
5/17/18
Ver 1.1
5/20/18
JI-820 C# Sample Code
6/20/18
Ver 1.1
Unit power and communications via USB 2.0. No external power-supply required.  
Instrument Setup and Control via an intuitive Windows Application GUI
Full signal isolation available with optional Isolation Module (see JI-4820ISO)  
Accessories
Price:  $24
Price:  $129
Open-Collector Drive: -OC
Push-Pull Drive: -PP
Price:  $479
---
9/3/19